Каталог товаров Каталог товаров

Частотный преобразователь для скважинного насоса ERMANGIZER ER-G-220-02-1,2

Артикул: ER-G-220-02-1,2
Производитель:  ERMANGIZER
Артикул: ER-G-220-02-1,2
Штрих-код: 2000000130644
Наличие:  Склад Екатеринбург
Примерный срок, при заказе сегодня:
  • Самовывоз из магазина в Екб. с 18 Декабря
  • Доставим по Екатеринбургу 18 Декабря
  • Отправим в другой город 19 Декабря

18 500 р.

В корзину Юр.лица могут оформить заказ через корзину или направить запрос на info@42unita.ru

1 Год гарантии

Описание

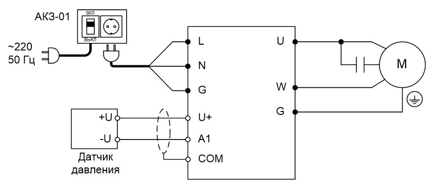
Преобразователь частоты ER-G-220-02 предназначен для управления однофазными насосами индивидуального водоснабжения: частного дома, дачи, сада, коттеджа, ангара, фермы, небольшого промышленного предприятия

Частотный преобразователь ER-G-220-02 для однофазного насоса это:

  • готовое решение для водоснабжения на базе частотного преобразователя ER-G-220-02
  • система интеллектуального водоснабжения нового поколения
  • простота в установке и настройке

Основные функции:

  • Обеспечивает стабильный напор воды в системе водоснабжения
  • Позволяет увеличить ресурс насоса
  • Исключает перегрузку электрической сети и механические удары в электродвигателе и насосе
  • Исключает резкое превышение давления в системе (гидроудар)
  • Плавная остановка насоса исключает появление разрежения в системе
  • Не требует наличия гидроаккумулятора большой емкости (более 5-8 л.), вследствие чего исключаются неприятные запахи и загрязнение воды из-за ее застоя
  • Обеспечивает защиту от заклинивания двигателя
  • Обеспечивает защиту от сухого хода насоса

Руководство по эксплуатации

Технические характеристики

Максимальное рабочее давление 6 кгс/см2
Порог срабатывания защиты по давлению 5,5 кгс/см2
Разрешающая способность по давлению 0,1 кгс/см2
Заводская установка давления 4,0 кгс/см2
Номинальное напряжение сети Однофазное 220 В (170~240 В) 50 Гц
Номинальная мощность двигателя, кВт * 1,2
Номинальный ток двигателя 5,2 А
Рабочая перегрузка по току, А 120% в течение 1 минуты, 150% в течение 6 секунд
Режимы управления двигателем Синусоидальная широтно-импульсная модуляция
Функции управления и регулирования Перезапуск при отказе сетевого питания
Регулирование Встроенный ПИД-регулятор
Режим Запуск, Работа, Stand By (спящий режим)
Индикация 4-х разрядный семисегментный LED индикатор.
Линейный вход (2 шт.) 4~20 мА (100 Ом) с питанием +15 В, 30 мА, гальваноразвязанный
Дискретный вход (3 шт.) "сухой контакт" либо "открытый коллектор"
Дискретный выход (1 шт.) "открытый коллектор"
Цифровой интерфейс Встроенный гальваноразвязанный RS-485 с открытым протоколом MODBUS RTU
Выходное напряжение 15 В постоянного тока, 100 мА
Функции защиты Перегрузка по току, перегрев, высокое/низкое напряжение сети, защита двигателя от заклинивания/холостого хода
Функция сигнализации Световая сигнализация при наличие протечки в системе водоснабжения
Климатическое исполнение УХЛ3.1 по ГОСТ15150
Класс защиты IP20 по ГОСТ 14254
Способ охлаждения Естественное воздушное
Нормальная рабочая температура 0 ... +40°С
Предельная рабочая температура -10°С ... +50°С (с ограничением мощности)
Влажность воздуха от 20% до 90%, без образования конденсата
Требования к месту установки До 1000 м над уровнем моря (выше с ограничением мощности)
Отсутствие в воздухе токопроводящих взвесей (металлическая, угольная пыль)
Отсутствие агрессивных и легковоспламеняющихся жидкостей и газов
Отсутствие действия прямых солнечных лучей
Вибрация Частота не более 20 Гц, амплитуда не более 0,2 g
* - при подборе частотного преодбразователя необходимо руководствоваться правилом: мощность насоса не должна превышать мощность частотного преобразователя.

Вопросы и отзывы (0)

Ответы на многие вопросы по покупке и доставке товара Вы можете найти на страницах Как купить и Доставка.
 
Оставьте ваш вопрос или комментарий о товаре:*
Загрузить файл или картинкуПеретащить с помощью Drag'n'drop
Перетащите файлы
Ничего не найдено
Защита от автоматических сообщений
Загрузить изображение
 
С этим товаром покупают