Каталог товаров Каталог товаров

Частотный преобразователь для скважинного насоса ERMANGIZER ER-G-220-02-1,5

Артикул: ER-G-220-02-1,5
Производитель:  ERMANGIZER
Артикул: ER-G-220-02-1,5
Штрих-код: 2000000135601
Наличие:  Под заказ
Срок поставки уточняйте. Возможно потребуется предоплата.

23 400 р.

В корзину Юр.лица могут оформить заказ через корзину или направить запрос на info@42unita.ru

1 Год гарантии

Описание

Преобразователь частоты ER-G-220-02 предназначен для управления однофазными насосами индивидуального водоснабжения: частного дома, дачи, сада, коттеджа, ангара, фермы, небольшого промышленного предприятия

Частотный преобразователь ER-G-220-02 для однофазного насоса это:

  • готовое решение для водоснабжения на базе частотного преобразователя ER-G-220-02
  • система интеллектуального водоснабжения нового поколения
  • простота в установке и настройке

Основные функции:

  • Обеспечивает стабильный напор воды в системе водоснабжения
  • Позволяет увеличить ресурс насоса
  • Исключает перегрузку электрической сети и механические удары в электродвигателе и насосе
  • Исключает резкое превышение давления в системе (гидроудар)
  • Плавная остановка насоса исключает появление разрежения в системе
  • Не требует наличия гидроаккумулятора большой емкости (более 5-8 л.), вследствие чего исключаются неприятные запахи и загрязнение воды из-за ее застоя
  • Обеспечивает защиту от заклинивания двигателя
  • Обеспечивает защиту от сухого хода насоса

Руководство по эксплуатации

Технические характеристики

Максимальное рабочее давление 6 кгс/см2
Порог срабатывания защиты по давлению 5,5 кгс/см2
Разрешающая способность по давлению 0,1 кгс/см2
Заводская установка давления 4,0 кгс/см2
Номинальное напряжение сети Однофазное 220 В (170~240 В) 50 Гц
Номинальная мощность двигателя, кВт * 1,5
Номинальный ток двигателя 6,5 А
Рабочая перегрузка по току, А 120% в течение 1 минуты, 150% в течение 6 секунд
Режимы управления двигателем Синусоидальная широтно-импульсная модуляция
Функции управления и регулирования Перезапуск при отказе сетевого питания
Регулирование Встроенный ПИД-регулятор
Режим Запуск, Работа, Stand By (спящий режим)
Индикация 4-х разрядный семисегментный LED индикатор.
Линейный вход (2 шт.) 4~20 мА (100 Ом) с питанием +15 В, 30 мА, гальваноразвязанный
Дискретный вход (3 шт.) "сухой контакт" либо "открытый коллектор"
Дискретный выход (1 шт.) "открытый коллектор"
Цифровой интерфейс Встроенный гальваноразвязанный RS-485 с открытым протоколом MODBUS RTU
Выходное напряжение 15 В постоянного тока, 100 мА
Функции защиты Перегрузка по току, перегрев, высокое/низкое напряжение сети, защита двигателя от заклинивания/холостого хода
Функция сигнализации Световая сигнализация при наличие протечки в системе водоснабжения
Климатическое исполнение УХЛ3.1 по ГОСТ15150
Класс защиты IP20 по ГОСТ 14254
Способ охлаждения Естественное воздушное
Нормальная рабочая температура 0 ... +40°С
Предельная рабочая температура -10°С ... +50°С (с ограничением мощности)
Влажность воздуха от 20% до 90%, без образования конденсата
Требования к месту установки До 1000 м над уровнем моря (выше с ограничением мощности)
Отсутствие в воздухе токопроводящих взвесей (металлическая, угольная пыль)
Отсутствие агрессивных и легковоспламеняющихся жидкостей и газов
Отсутствие действия прямых солнечных лучей
Вибрация Частота не более 20 Гц, амплитуда не более 0,2 g
* - при подборе частотного преодбразователя необходимо руководствоваться правилом: мощность насоса не должна превышать мощность частотного преобразователя.

Вопросы и отзывы (3)

Ответы на многие вопросы по покупке и доставке товара Вы можете найти на страницах Как купить и Доставка.
Андрей
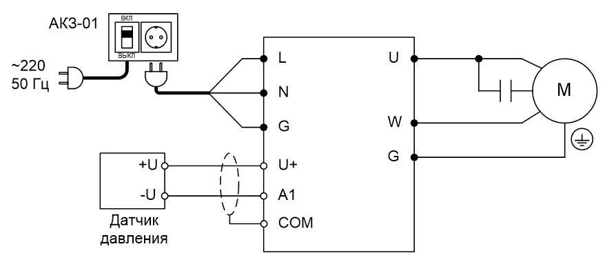
Здравствуйте, подскажите какова максимальная длина кабеля от датчика давления до блока управления. Какой тип кабеля должен быть?
Имя Цитировать
Антон Завалин
Цитата
Андрей написал:
Здравствуйте, подскажите какова максимальная длина кабеля от датчика давления до блока управления. Какой тип кабеля должен быть?
Добрый день! Длина сигнальных кабелей не должна превышать 50 м. Сигнальные кабели должны быть проложены на расстоянии не менее
30 см от силовых кабелей.
Подключение должно производиться двухжильным кабелем круглого сечения с полиэтиленовой, резиновой или пластмассовой изоляцией наружным диаметром (5,5-6,5) мм с сечением жилы (0,75-1,5) мм.кв.
При нахождении вблизи места прокладки линии связи сильноточных электрических цепей электроустановок рекомендуется применение экранированного кабеля.
.
Имя Цитировать
Алексей
Скажите, чем отличаются частотники ERMANGIZER ER-G-220-02 и ERMANGIZER ER-G-220-03  ? Одинаковых по мощности.
Имя Цитировать
Евгений Кочнев
Цитата
Алексей написал:
Скажите, чем отличаются частотники ERMANGIZER ER-G-220-02 и ERMANGIZER ER-G-220-03  ? Одинаковых по мощности.
Добрый день. 03, это более новая версия, отличается корпусом и имеет более высокую степень пыле-влагозащиты, это позволяет устанавливать его во влажных помещениях и внутри кессонов. По функционалу они идентичны.
Имя Цитировать
 
Оставьте ваш вопрос или комментарий о товаре:*
Загрузить файл или картинкуПеретащить с помощью Drag'n'drop
Перетащите файлы
Ничего не найдено
Защита от автоматических сообщений
Загрузить изображение
 
С этим товаром покупают