Каталог товаров Каталог товаров

Реле контроля уровня жидкости GEYA GRL8-01, 2 уровня, 24-240V/10A, без датчиков Распродажа Хит продаж

Артикул: GRL8-01 24-240

Реле контроля уровня жидкости GEYA GRL8-01, 2 уровня, 24-240V/10A, без датчиков

Артикул: GRL8-01 24-240
Штрих-код: 2000660244170
Наличие:  5 Апреля ожидается 12 шт.
  • Самовывоз из магазина в Екб. 6 Апреля
  • Доставим по Екатеринбургу 7 Апреля
  • Отправим в другой город 7 Апреля

1 200 р.

В корзину Юр.лица могут оформить заказ через корзину или направить запрос на info@42unita.ru

Описание

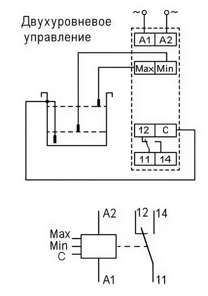
Реле контроля уровня жидкости GRL8-01 предназначено контроля уровня жидкости в цистернах, емкостях, колодцах и пр. с выдачей сигнала управления для включения откачивающего или закачивающего насоса. Работа основана на изменении сопротивления проводящей жидкости между датчиками-электродами. Для предотвращения износа электродов и электролиза жидкости на электроды подается переменное напряжение около 10Гц. Устройство  работает в двухуровневом режиме. Реле имеет изолированный переключающий релейный контакт для коммутации нагрузки.

Особенности:

  • Гальваническая развязка датчиков уровня от сети;
  • Двухуровневый режим;
  • Регулируемая чувствительность;
  • Индикация питания (зеленый), выход реле (красный);
  • Крепление на DIN-рейку.
Режимы работы:
  1. Откачивание жидкости - это основной режим работы данной модели реле. Выход реле активируется при возрастании уровня жидкости выше значения Max (включение откачивающего насоса). Использовать контакты реле 11 и 14, подключаются в обрыв фазного провода насоса.
  2. Закачивание жидкости - возможный режим работы реле, но с осторожностью. Выход реле активируется при падении уровня жидкости ниже значения Min (включение закачивающего насоса). Использовать контакты реле 11 и 12, подключаются в обрыв фазного провода насоса.
ВНИМАНИЕ: рекомендуем использовать реле контроля жидкости совместно с дополнительным (аварийным) средством защиты от затопления (например поплавковый выключатель) - это необходимо для случаев, если станет хуже проводимость датчиков или реле вовсе выйдет из строя.

Применение устройства:
Реле контроля уровня жидкости GRL8-01 представляет собой устройство, применяемое для поддержания постоянного уровня жидкости в резервуаре. К прибору подключаются металлические датчики-электроды, которые на небольшом расстоянии друг от друга помещаются вертикально в жидкость на разную глубину. К электродам особых требований не предъявляется (можно использовать из обычной нержавейки). Для четкой работы устанавливают нужную чувствительность устройства регулятором на передней панели.
В двухуровневом режиме используются 3 электрода. Электроды Max и Min помещают на глубину максимального и минимального уровня соответственно. Электрод С помещают глубже остальных.

Технические характеристики

Напряжение питания (A1-A2) 24...240 В AC/DC
Потребляемая мощность <2 Вт
Коммутируемый ток 10 А
Регулировка чувствительности (вх. сопротивление) 5....100 кОм
Напряжение на датчиках <5 В AC
Ток датчиков <0.1 мА
Макс время отклика при изменении уровня 400 мс
Максимальная длина линии датчиков 800 метров (при сопротивлении 25кОм), 200 метров (при сопротивлении 100кОм)
Выход реле переключающий контакт
Типы жидкостей вода (водопроводная, родниковая, дождевая), жидкости с низким содержанием алкоголя (пиво, вино и др.), молоко, кофе, сточные воды, жидкие удобрения
Механическая износостойкость, циклов 5 000 000
Электрическая износостойкость, циклов 100 000
Сечение провода для клемм до 2,5 мм2
Диапазон рабочих температур -20...+55 °C
Степень защиты IP40 (лицевая панель)/ IP20 (контактная группа)
Способ установки 35 мм DIN рейка
Габариты 90х18х64 мм
Вес 72 гр.

Вопросы и отзывы (0)

Ответы на многие вопросы по покупке и доставке товара Вы можете найти на страницах Как купить и Доставка.
 
Оставьте ваш вопрос или комментарий о товаре:*
Загрузить файл или картинкуПеретащить с помощью Drag'n'drop
Перетащите файлы
Ничего не найдено
Защита от автоматических сообщений
Загрузить изображение