Каталог товаров Каталог товаров

Лестничный выключатель (таймер) 1-7 минут ALST8

Артикул: ALST8

Лестничный выключатель (таймер) 1-7 минут ALST8

Артикул: ALST8
Штрих-код: 2000660149000
Наличие:  Под заказ
Срок поставки уточняйте. Возможно потребуется предоплата.

777 р.

В корзину Юр.лица могут оформить заказ через корзину или направить запрос на info@42unita.ru

1 Год гарантии

Описание

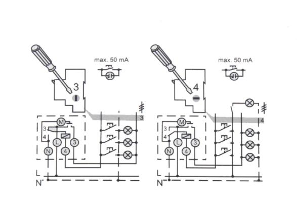
Лестничный выключатель (таймер) используется для подачи команд на замыкание/размыкание цепи с заданной пользоваиелем задержкой времени.

Технические характеристики

Номинальный ток, А 16
Номинальное напряжение, В 220
Номинальная цастота сети, Гц 50(60)
Потребляемая мощность, ВА удержания 1,1 срабатывания 220
Максимальная мощность ламп накаливания и люминисцентных лам, Вт 200
Выдержка времени, мин от 1 до 7
Диапазон рабочих температур от -5 до +45
Степен защиты, IP 20

Вопросы и отзывы (0)

Ответы на многие вопросы по покупке и доставке товара Вы можете найти на страницах Как купить и Доставка.
 
Оставьте ваш вопрос или комментарий о товаре:*
Загрузить файл или картинкуПеретащить с помощью Drag'n'drop
Перетащите файлы
Ничего не найдено
Защита от автоматических сообщений
Загрузить изображение