Каталог товаров Каталог товаров

Драйвер шагового двигателя 5-35В, 2A, 2 канала на микросхеме L298N

Артикул: HW-095 (L298N)

Драйвер шагового двигателя 5-35В, 2A, 2 канала на микросхеме L298N

Артикул: HW-095 (L298N)
Штрих-код: 2000660215668
Наличие:  1 шт.
  • Самовывоз из магазина в Екб. сегодня
  • Доставим по Екатеринбургу 10 Февраля
  • Отправим в другой город 10 Февраля

273 р.

В корзину Юр.лица могут оформить заказ через корзину или направить запрос на info@42unita.ru

Описание

Драйвер L298N используется радиолюбителями для многофункционального управления двигателями постоянного тока. Схема модуля, состоящая из двух H-мостов, позволяет подключать к нему один биполярный шаговый двигатель или одновременно два щёточных двигателя постоянного тока. При этом есть возможность изменять скорость и направление вращения моторов. Управление осуществляется путём подачи соответствующих сигналов на командные входы, выполненные в виде штыревых контактов.

Характеристики

Напряжение питания логики 5 В
Потребляемый ток логики 36 мА
Напряжение питания моторов от 5 В до 35 В
Рабочий ток драйвера 2 А
Пиковый ток драйвера 3 А
Максимальная мощность 20 Вт
Диапазон рабочих температур от -25° С до +135° С
Габариты 43.5 х 43.2 х 29.4 мм

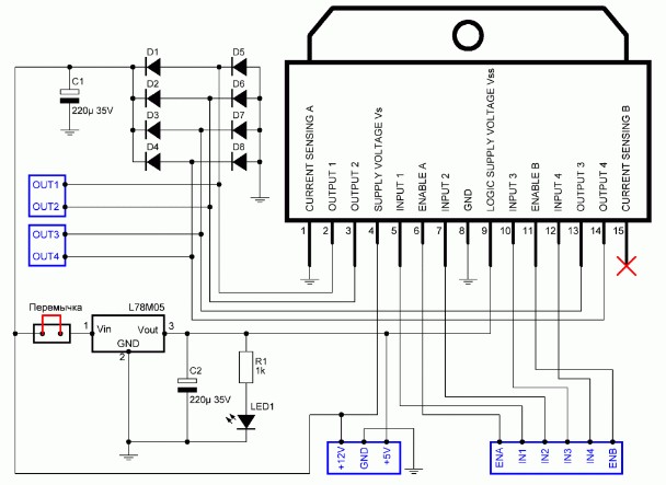
  • OUT1 и OUT2 – разъёмы для подключения первого щёточного двигателя или первой обмотки шагового двигателя;
  • OUT3 и OUT4 – разъёмы для подключения второго щёточного двигателя или второй обмотки шагового двигателя;
  • VСС (до +35В) – вход для питания двигателей (максимальный уровень +35V);
  • GND – общий провод (не забываем соединить с аналогичным входом Arduino!!!);
  • VCC (+5В) - вход для питания логики +5V. Через него непосредственно запитывается сама микросхема L298N. Есть ещё второй способ питания, при котором 5V для L298N берётся от встроенного в модуль стабилизатора напряжения. В таком случае на разъём подаётся только питание для двигателей (Vss), контакт Vs остаётся не подключенным, а на плате устанавливается перемычка питания от стабилизатора, который ограничит питающее моторы напряжение до приемлемых 5V.
  • IN1, IN2 – контакты управления первым щёточным двигателем или первой обмоткой шагового двигателя.
  • IN3, IN4 – контакты управления вторым щёточным двигателем или второй обмоткой шагового двигателя.
  • ENA, ENB – контакты для активации/деактивации первого и второго двигателей или соответствующих обмоток ШД. Подача логической единицы на эти контакты разрешает вращение двигателей, а логический ноль – запрещает. Для изменения скорости вращения щёточных моторов на эти контакты подаётся ШИМ-сигнал. Для работы с шаговым двигателям, как правило, на эти контакты ставят перемычки, обеспечивающие постоянную подтяжку к +5V.

Вопросы и отзывы (0)

Ответы на многие вопросы по покупке и доставке товара Вы можете найти на страницах Как купить и Доставка.
 
Оставьте ваш вопрос или комментарий о товаре:*
Загрузить файл или картинкуПеретащить с помощью Drag'n'drop
Перетащите файлы
Ничего не найдено
Защита от автоматических сообщений
Загрузить изображение