Каталог товаров Каталог товаров

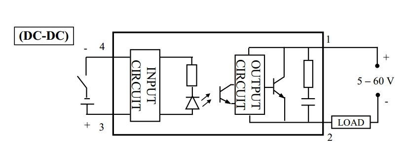
Однофазное твердотельное реле DC-DC типа, управление 3-32 В DC, нагрузка 12-220 В DC SSR-40DD Распродажа Хит продаж

Артикул: SSR-40DD

Однофазное твердотельное реле DC-DC типа, управление 3-32 В DC, нагрузка 12-220 В DC SSR-40DD

Количество полюсов: 1 x Замык.
Напряжение питания: 3-32В DC
Исполнение: Корпусное
Тип: Твердотельное реле
Номинальный ток, А: 40
Артикул: SSR-40DD
Штрих-код: 2000000169767
Наличие:  Под заказ
Срок поставки уточняйте. Возможно потребуется предоплата.

718 р.

В корзину Юр.лица могут оформить заказ через корзину или направить запрос на info@42unita.ru

3 месяца гарантии

Описание

Технические характеристики

Тип (DC-DC)
Ном. управляющее напряжение 3…32B постоянного тока
Напряжение включения/выключения вкл > 2.4В / выкл < 1В
Ном. напряжение нагрузки 12…220B постоянного тока
Падение напряжения 1.6В / 25°С
Ном. ток нагрузки 40А
Ток срабатывания 7.5мА/12В
Диапазон рабочих температур -20°С…+80°С
Масса 105г

Рекомендации по выбору и эксплуатации твердотельных реле

  1. Для длительной и безотказной работы реле с индуктивной нагрузкой не рекомендуется нагружать более чем на 40% от его номинального тока, а при работе с резистивной нагрузкой – не более 60%.
  2. Если трехфазное твердотельное реле используется для пуска асинхронного двигателя, то надо учитывать его пусковой ток и реле выбирать с 5 – 8 кратным запасом по току.
  3. Не допускайте короткое замыкание на выходе реле, иначе возможно его повреждение. Применяйте внешние устройства защиты (быстродействующие плавкие вставки и автоматические выключатели, предназначенные для защиты полупроводниковых приборов – диодов, тиристоров) от короткого замыкания.
  4. Твердотельные реле должны устанавливаться на радиаторы с использованием теплопроводящей пасты, заполняющей только воздушные пустоты между поверхностью радиатора и основанием реле.
  5. Если температура основания твердотельного реле превысит 80°С, то оно может выйти из строя. Чтобы избежать этого снизьте ток нагрузки или примените более эффективную систему охлаждения

Вопросы и отзывы (0)

Ответы на многие вопросы по покупке и доставке товара Вы можете найти на страницах Как купить и Доставка.
 
Оставьте ваш вопрос или комментарий о товаре:*
Загрузить файл или картинкуПеретащить с помощью Drag'n'drop
Перетащите файлы
Ничего не найдено
Защита от автоматических сообщений
Загрузить изображение