Каталог товаров Каталог товаров

Комплект для сборки. Часы-термометр на микроконтроллере ATmega8A с LED секундной стрелкой

Артикул: VDG042
Производитель:  РадиоКИТ
Артикул: VDG042
Штрих-код: 2000000189529
Наличие:  Склад поставщика
Примерный срок, при заказе сегодня:
  • Самовывоз из магазина в Екб. с 24 Декабря
  • Доставим по Екатеринбургу 25 Декабря
  • Отправим в другой город 25 Декабря

3 564 р.

В корзину Юр.лица могут оформить заказ через корзину или направить запрос на info@42unita.ru

Описание

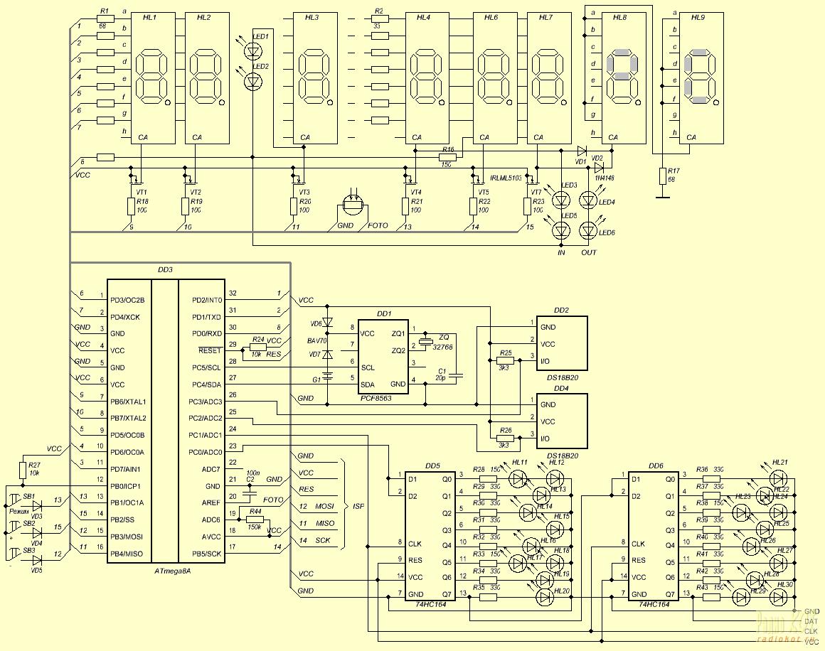
Плата и радиодетали для самостоятельной сборки часов.

Часы со следующими характеристиками:
  • Два датчика температуры DS18B20 (дома и на улице) Для установки на улице рекомендуем использовать датчик RI002;
  • Резервное питание часов от батареи CR2032 (без индикации);
  • Светодиодная секундная стрелка;
  • Датчик освещённости для изменения яркости (день/ночь);
  • Программная подстройка хода +/- 30 сек в неделю.

  В первой строке отображаются часы и минуты, во второй поочерёдно температура на улице/дома и светодиодами по кругу секунды (заполнением начиная с нулевой).
  Каждую нечётную минуту заполнение происходит зажиганием светодиода, а чётную гашением.
  Вход в режим настройки, переключение между настройкой часов, минут и коррекцией хода кнопкой «MODE». Уменьшение / увеличение кнопками «-» / «+».

О деталях:
  • Микроконтроллер ATmega8A в планарном корпусе;
  • Часы PCF8563S;
  • Термометр DS18B20;
  • Регистры для секундной стрелки 74HC164S;
  • Светодиодные семисегментные индикаторы 0,5"; 0,75"; 1" и 1,5" c общим анодом;
  • Транзисторы полевые для разрядов IRLML5103;
  • Резисторы SMD1206.

Характеристики:
  • Индикаторы: Светодиодные семисегментные одноразрядные;
  • Высота часовых индикаторов: 1,5";
  • Высота температурных индикаторов: 1";
  • Высота индикатора символа градуса: 0,5";
  • Высота индикатора шкалы температуры: 0,75";
  • Информация на дисплее: Время (часы и минуты), температура (внешняя и внутренняя), шкала температуры;
  • Цвет индикаторов секундной стрелки: КРАСНЫЙ;
  • Питание устройства: DC 5 В;
  • Номинальный ток потребления: Уточняется...;
  • Питание RTC модуля (резервное): Батарея питания типоразмера "CR2032";
  • Диапазон рабочих температур: -10...+55 градусов Цельсия;
  • Относительная влажность: 5...80 % (без образования конденсата);
  • Размеры печатной платы: 189 x 189 х 1,5 мм;
  • Общая масса набора: ~245 г.

Комплект поставки:
  • Печатная плата;
  • Датчик температуры DS18B20 (2 шт.);
  • Набор радиодеталей;
  • Набор светодиодов для секундной стрелки;
  • Запрограммированный микроконтроллер ATmega8A;
  • Семисегментный светодиодный индикатор 0,5" (1 шт.);
  • Семисегментный светодиодный индикатор 0,75" (1 шт.);
  • Семисегментный светодиодный индикатор 1" (3 шт.);
  • Семисегментный светодиодный индикатор 1,5" (4 шт.).

Вопросы и отзывы (0)

Ответы на многие вопросы по покупке и доставке товара Вы можете найти на страницах Как купить и Доставка.
 
Оставьте ваш вопрос или комментарий о товаре:*
Загрузить файл или картинкуПеретащить с помощью Drag'n'drop
Перетащите файлы
Ничего не найдено
Защита от автоматических сообщений
Загрузить изображение