Каталог товаров Каталог товаров

Извещатель охранный магнитоконтактный ИО-102-14 Распродажа Хит продаж

Артикул: ИО-102-14

Извещатель охранный магнитоконтактный ИО-102-14

Артикул: ИО-102-14
Штрих-код: 2000000045672
Наличие:  20 шт.
  • Самовывоз из магазина в Екб. сегодня
  • Доставим по Екатеринбургу завтра
  • Отправим в другой город завтра

110 р.

В корзину Юр.лица могут оформить заказ через корзину или направить запрос на info@42unita.ru

1 Год гарантии

Описание

Извещатель охранный точечный магнитоконтактный ИО 102-14 (далее извещатель) предназначен для блокировки дверных и оконных проемов, организации устройств типа «ловушка», а также блокировки других конструктивных элементов зданий и сооружений на открывание или смещение с выдачей извещения о тревоге на пульт централизованного наблюдения, прибор приемно-контрольный или концентратор размыканием шлейфа сигнализации контактами встроенного геркона.

Извещатель предназначен для открытой установки на поверхности охраняемой конструкции.

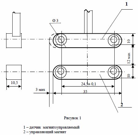
Извещатель конструктивно состоит из двух блоков: исполнительного (магнитоуправляемого датчика) и задающего (управляющего магнита), заключенных в пластмассовые корпуса по форме близкой к прямоугольной.

С магнитоуправляемого датчика выведены два многожильных провода для подключения извещателя к ШС. Полярность подключения извещателей к ШС значения не имеет.

Вид климатического исполнения извещателя О2 по ГОСТ 15150-69, но в диапазоне рабочих температур от минус 50 до + 50 С.

Число срабатываний извещателя в режиме коммутации постоянного и переменного тока в диапазоне от 0,01 А до 0,05 А и напряжений от 10 В до 50 В должно быть не менее 106 при максимальной мощности 10 Вт.

Выходное электрическое сопротивление извещателя не более 0,5 Ом при замкнутых контактах, не менее 200 кОм при разомкнутых контактах.

Минимальное значение силы постоянного или переменного тока 0,001 А.

Максимальное значение силы постоянного или переменного тока 0,5 А.

Минимальное значение коммутируемого напряжения 0,02 В.

Максимальное значение коммутируемого напряжения 72 В.

Максимальное значение коммутируемой мощности – 10 Вт.

При расположении исполнительного и задающего блоков извещателя на расстоянии между ними 12 мм и менее контакты исполнительного блока находятся в замкнутом состоянии. Данное расстояние определяет границу диапазона значений рабочего зазора между указанными блоками, в соответствии с которым осуществляется их установка на охраняемой конструкции. При расположении блоков извещателя на расстоянии между ними 45 мм и более контакты исполнительного блока находятся в разомкнутом состоянии. Данное расстояние определяет расстояние срабатывания извещателя – минимальное расстояние между блоками извещателя, при котором гарантируется формирование извещения о тревоге. Указанные расстояния измеряются между наибольшими боковыми сторонами блоков извещателя при максимальном допуске смещения блоков извещателя друг относительно друга вдоль наибольшей стороны – 3 мм.

Извещатель сохраняет работоспособность при повышенной до + 50°С и пониженной до минус 50°С температуре окружающего воздуха, а также его относительной влажности до 98 % при температуре + 35°С без конденсации влаги.

Извещатель рассчитан на непрерывную круглосуточную работу.

Срок службы извещателя не менее 8 лет.

Конструкция извещателя обеспечивает степень защиты оболочки IP30 по ГОСТ 14254-96.

Масса извещателя:

- датчика – не более 3,5 г;

- управляющего магнита – не более 6,5 г.

Габаритные, установочные и присоединительные размеры

Вопросы и отзывы (0)

Ответы на многие вопросы по покупке и доставке товара Вы можете найти на страницах Как купить и Доставка.
 
Оставьте ваш вопрос или комментарий о товаре:*
Загрузить файл или картинкуПеретащить с помощью Drag'n'drop
Перетащите файлы
Ничего не найдено
Защита от автоматических сообщений
Загрузить изображение