Каталог товаров Каталог товаров

Регулятор оборотов двигателя переменного тока UX-52/003 до 400W Распродажа Хит продаж

Артикул: UX-52/003

Регулятор оборотов двигателя переменного тока UX-52/003 до 400W

Артикул: UX-52/003
Штрих-код: 2000660174903
Наличие:  27 Февраля ожидается 2 шт.
  • Самовывоз из магазина в Екб. 27 Февраля
  • Доставим по Екатеринбургу 2 Марта
  • Отправим в другой город 2 Марта

1 850 р.

В корзину Юр.лица могут оформить заказ через корзину или направить запрос на info@42unita.ru

Описание

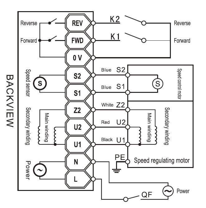
Исполнение для монтажа на приборную панель. Цифровая индикация текущий параметров работы электродвигателя. Возможна гибкая настройка работы привода.

  • Цифровой контроллер на базе MCU-процессора;
  • Цифровая индикация текущих параметров работы;
  • Легкий и быстрый старт работы с устройством;
  • Отображение текущей скорости электродвигателя в сборе с редуктором (пересчет на конкретный коэффициент редукции);
  • Настройка ускорений;
  • Контроль направления вращения кнопками на панели либо внешним сигналом с ПЛК;
  • Встроенный конденсатор;
  • Встроенная защита - при заклинивании двигателя контроллер не сгорит.

Технические характеристики

Питание 220±20% Вольт, 50 Гц
Диапазон считывания оборотов 0—3000 об/мин
Диапазон регулировки оборотов 0—3000 об/мин
Номинальная мощность 400 Вт
Максимальный ток 3 А
Рабочая температура от-10 ℃ до 55 ℃
Допустимая влажность 0—65%
Материал корпуса АБС

Вопросы и отзывы (1)

Ответы на многие вопросы по покупке и доставке товара Вы можете найти на страницах Как купить и Доставка.
Гость
Добрый день. У меня есть канальный вентилятор с двигателем 220в на 56 вт. Подключен через конденсатор. Могу ли я управлять его оборотами при помощи этого частотного преобразователя? На двигателе нет датчика оборотов, а тут я смотрю есть на колодке под него контакты, потому спрашиваю.
Имя Цитировать
Антон Завалин
Цитата
Гость написал:
Добрый день. У меня есть канальный вентилятор с двигателем 220в на 56 вт. Подключен через конденсатор. Могу ли я управлять его оборотами при помощи этого частотного преобразователя? На двигателе нет датчика оборотов, а тут я смотрю есть на колодке под него контакты, потому спрашиваю.
Здравствуйте! Нет, этот регулятор вам не подойдет. Только для двигателей с датчиком. Можете использовать более бюджетный вариант, который управляет напряжением на выходе. Можно немного убавить обороты, но обязательно следить за тем, чтобы не допустить остановки мотора https://www.42unita.ru/catalog/regulyatory_moshchnosti/Regulyator_napryazheniya_­194162_ZC11000_7c1 . Возможно он подойдет для вашей задачи.
Имя Цитировать
 
Оставьте ваш вопрос или комментарий о товаре:*
Загрузить файл или картинкуПеретащить с помощью Drag'n'drop
Перетащите файлы
Ничего не найдено
Защита от автоматических сообщений
Загрузить изображение