Каталог товаров Каталог товаров

Автомат защиты электродвигателей CZF-13 (аналог ЕЛ-13)

Артикул: CZF-13
Производитель:  F&F
Артикул: CZF-13
Штрих-код: 2000000089379
Наличие:  Склад поставщика
Примерный срок, при заказе сегодня:
  • Самовывоз из магазина в Екб. с 29 Декабря
  • Доставим по Екатеринбургу 29 Декабря
  • Отправим в другой город 30 Декабря

1 190 р. 2 367 р.

В корзину Юр.лица могут оформить заказ через корзину или направить запрос на info@42unita.ru

2 Года гарантии

Описание

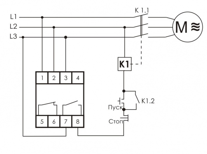
Назначение:
Автомат защиты электродвигателей CZF-13 предназначен для защиты электродвигателей и электроустановок, питаемых от трехфазной сети в случаях:
1.отсутствия хотя бы одной из фаз;
2.асимметрии напряжения;
3.контроль верхнего значения напряжения;
4.контроль нижнего значения напряжения.

Принцип работы:

Если напряжение в пределах нормы, контакты исполнительного реле замкнуты и на контактор управления электродвигателем подается напряжение, управляющее его включением. В случае одной из вышеперечисленных аварийных ситуаций контакты реле размыкаются и контактор отключается. Выключение во 2 случае происходит с задержкой 1-10 сек..
В случае 1 изделие выключается с задержкой 0,1 сек.,а в случаях 3 - 0,5 сек, 4 - 5 сек. Включение происходит автоматически после восстановления сетевого напряжения питания. CZF-13 защищает также от симметричного падения напряжения в фазах.

Технические характеристики

Напряжение питания, В 3x400
Максимальный ток катушки контактора, А 2
Контакты Z-замыкающий, P-переключающий, R-размыкающий 1Z,1R
Сигнализация питания -
Сигнализация аварии красный светодиод
Сигнализация подключения нагрузки зеленый светодиод
Напряжение отключения, В -при падении напряжения в фазах ... 320
-при повышении напряжения в фазах ... 480
Максимальная асимметрия напряжения, В 80
Гистерезис 5
Задержка отключения, с -при асимметрии .. 1-10(регулируемая)
-при падении напряжения в фазах ... 5
-при повышении напряжения в фазах ... 0,5
Задержка включения,с 2
Диапазон рабочих температур, °С от -25 до +50
Потребляемая мощность, Вт 1,6
Габариты (ШхВхГ),мм 35х90х65
Тип корпуса (см. Приложение 1) 2S
Подключение винтовые зажимы 2,5 мм2

Вопросы и отзывы (0)

Ответы на многие вопросы по покупке и доставке товара Вы можете найти на страницах Как купить и Доставка.
 
Оставьте ваш вопрос или комментарий о товаре:*
Загрузить файл или картинкуПеретащить с помощью Drag'n'drop
Перетащите файлы
Ничего не найдено
Защита от автоматических сообщений
Загрузить изображение