Каталог товаров Каталог товаров

Реле контроля напряжения ЕЛ-11М-3х380В (1п-контакт) TDM

Артикул: SQ1504-0005
Производитель:  TDM Electric
Артикул: SQ1504-0005
Штрих-код: 2000000161938
Наличие:  Склад поставщика
Примерный срок, при заказе сегодня:
  • Самовывоз из магазина в Екб. с 30 Декабря
  • Доставим по Екатеринбургу 31 Декабря
  • Отправим в другой город 31 Декабря

1 590 р.

В корзину Юр.лица могут оформить заказ через корзину или направить запрос на info@42unita.ru

Описание

Назначение

Для защиты электрооборудования, питаемого трехфазной сетью в случаях:

  • повышения напряжения сети,
  • падения напряжения сети,
  • нарушения чередования фаз,
  • пропадания одной и более фаз,
  • асимметрии фаз.

Применение

Защита трехфазного электрооборудования от недопустимых параметров электрической сети.

Материалы

Корпус изготовлен из негорючего самозатухающего пластика.

Преимущества

ЕЛ-11М давно известно на российском рынке, внесено во многие проекты и часто используется при сборке НКУ;
Привлекательная цена реле позволяет использовать его для широкого спектра задач;
Реле ЕЛ-11М-3х380В (1нр+1нз контакты) артикул SQ1504-0014 имеет 2 пары контактов: нормально разомкнутый и нормально замкнутый, что применяется для раздельного питания контакторов в схемах АВР.

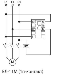
Конструкция

Реле устанавливается на DIN-рейку шириной 35 мм или на монтажную плоскость;
Реле имеет на лицевой панели 4 регулятора: установки верхнего и нижнего значений напряжения, установки времени отключения реле при повышении и понижении напряжения сети;
Реле имеет на лицевой панели 3 индикатора: «Ошибка фаз», «U>Uмакс»; «U

Технические характеристики

Напряжение питания, В 3х380В АС
Номинальная частота, Гц 50
Номинальная коммутирующая способность контактов, А 3
Верхний порог напряжения, В 380-460 (регулируется)
Нижний порог напряжения, В 300-380 (регулируется)
Время срабатывания при повышении напряжения, сек 1,5-4 (регулируется)
Время срабатывания при понижении напряжения, сек 2-9 (регулируется)
Время срабатывания при пропадании одной и более фаз, сек <2
Время срабатывания при нарушении чередования фаз, сек <2
Диапазон рабочих температур, 0С -5+40
Степень защиты IP20
Потребляемая мощность, не более, Вт 2
Механическая износостойкость, циклов 1 000 000
Электрическая износостойкость, циклов 100 000
Способ монтажа На din-рейку или монтажную плоскость
Тип контакта 1п (1 переключающий) – для артикула SQ1504-0005,
1нр+1нз (1 норм.размокн + 1 норм.замкн) – для артикула SQ1504-0014

Вопросы и отзывы (0)

Ответы на многие вопросы по покупке и доставке товара Вы можете найти на страницах Как купить и Доставка.
 
Оставьте ваш вопрос или комментарий о товаре:*
Загрузить файл или картинкуПеретащить с помощью Drag'n'drop
Перетащите файлы
Ничего не найдено
Защита от автоматических сообщений
Загрузить изображение