Каталог товаров Каталог товаров

Цифровой встраиваемый термостат с выносным датчиком, -55°C..+125°C, 15А, ультра-яркий зеленый

Артикул: STH0024UG-v3
Производитель:  Smartmodule
Артикул: STH0024UG-v3
Штрих-код: 2000000016665
Наличие:  Склад поставщика
Примерный срок, при заказе сегодня:
  • Самовывоз из магазина в Екб. с 23 Марта
  • Доставим по Екатеринбургу 23 Марта
  • Отправим в другой город 24 Марта

1 820 р.

В корзину Юр.лица могут оформить заказ через корзину или направить запрос на info@42unita.ru

1 Год гарантии

Описание

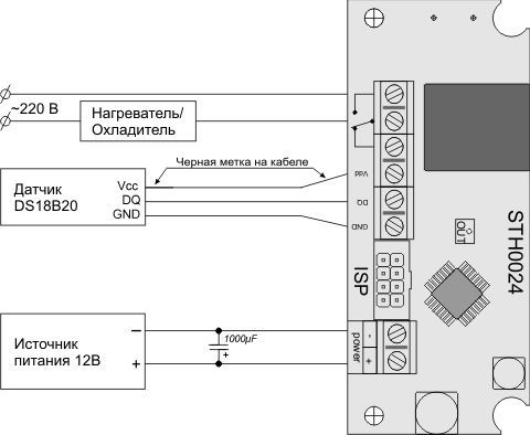
Модуль предназначен для самостоятельной сборки блока индикации температуры и управления внешним устройством в зависимости от температуры. Модуль состоит из модуля индикации, управляющих кнопок и выносного датчика температуры DS18B20 на кабеле. Для подключения питания, внешних устройств и датчика температуры установлены клеммники под отвертку. На печатной плате имеется контактная точка OUT, соединенная с выводом 9 микроконтроллера (PD5/OC0B). На плате установлен светодиод, отображающий состояние реле (выключенный светодиод - реле отключено*). Кроме того, на плате имеется два контактных отверстия для подключения внешнего светодиода, при необходимости.

Настройки верхнего и нижнего порогов и настройка яркости сохраняются в энергонезависимой памяти модуля.

Выходное реле имеет ограниченный ресурс, зависящий от коммутируемого тока, от 100 000 до 10 000 000. Для увеличения срока службы реле можно использовать дополнительный силовой элемент: реле, магнитный пускатель и т.п., а так же рекомендуется не устанавливать значения порогов, приводящие к слишком частым срабатываниям реле.

На модуле есть контакты ISP для программирования, возможна прошивка модуля собственным кодом. Для этого может быть использован SPA0008 - USB программатор для AVR-контроллеров (распиновка контактов кабеля совпадает с контактами ISP для программирования STH0024).

Для питания модуля необходим источник постоянного тока. Плюс питания подключается к контакту "+", минус питания к контакту "-". В модуле имеется защита от переполюсовки - при переполюсовке питания модуль не включится. Индикация температуры начинается через ~1 секунду после включения. Показания на индикаторе изменяются 1 раз в 1 сек. При питании модуля напряжением более 15В, рекомендуется приклеить радиатор автогерметиком к противоположной стороне платы в месте установки микросхемы 78M05.

При инициализации датчика температуры, отсутствии или неисправности датчика и при выходе температуры за пределы диапазона измерений на индикаторе отображается "----", а реле отключается*.

Эксплуатация модуля или кабеля в непосредственной близости от источника сильных помех может привести к некорректной работе модуля.

Если в месте установки датчика возможно попадание влаги, рекомендуется герметизировать датчик и 2-3см кабеля со стороны датчика, например, автогерметиком.

Крепежные отверстия модуля соответствуют посадочным местам корпуса BOX-KA12. Для удобства, можно воспользоваться шаблоном отверстий для монтажа термостата STH0024 в корпус BOX-KA12. Для этого рекомендуется разместить шаблон по центру корпуса, зафиксировать скотчем по всей площади шаблона. Затем просверлить отверстия под кнопки и углы индикатора, используя канцелярский нож и линейку прорезать отверстие под индикатор. Далее можно подогнать отверстие напильником.

*Контакты реле в отключенном состоянии соответствуют обозначению на плате.

Технические характеристики

Диапазон измеряемых температур -55°C..+125°C
Дискретность измерения 0,06 °C
Напряжение питания (фильтрованное) +7..+15 В (с радиатором до +25В)
Потребляемый ток 0,02..0,13 А
Максимальный ток коммутации 15 А
Ресурс срабатывания реле (в зависимости от коммутируемого тока) от 100 000 до 10 000 000 раз
Максимальное коммутируемое напряжение 250 В
Защита от переполюсовки питания модуля Да
Погрешность измерения в диапазоне +10 °C..+85 °C, не более 0,5 °C; в диапазоне -55 °C..+125 °C, не более 2 °C
Температура эксплуатации индикатора -40 °C..+70 °C
Температура эксплуатации датчика -55 °C..+125 °C
Цвет свечения индикатора Ультра-яркий зеленый
Размеры 82,5х34,5х35 мм
Вес 55 г
Высота символов индикатора 14 мм
Датчик DS18B20, выносной
Длина кабеля с термодатчиком 2 м

Внимание! Используемый в модуле датчик температуры DS18B20 не предназначен для измерения температуры токопроводящих жидкостей, агрессивных, взрывоопасных и горючих сред.

Схема включения

Габаритный чертеж

Вопросы и отзывы (1)

Ответы на многие вопросы по покупке и доставке товара Вы можете найти на страницах Как купить и Доставка.
Илья
После отключения питания настройки сбрасываются ?
Имя Цитировать
Евгений Жданов
Добрый день!
Настройки сохраняются.
Имя Цитировать
Сергей
Доброе утро !
Какая версия не понятно ?  
Имя Цитировать
Николай Ефремов
Добрый день, Сергей! Спасибо, что обратили внимание на наш недочет в описании! Версия модуля 3, в соответствии с артикулом.
Имя Цитировать
 
Оставьте ваш вопрос или комментарий о товаре:*
Загрузить файл или картинкуПеретащить с помощью Drag'n'drop
Перетащите файлы
Ничего не найдено
Защита от автоматических сообщений
Загрузить изображение