Каталог товаров Каталог товаров

Тороидальные трансформаторы ОСМ марки «Штиль»

29 Октября 2013

Тороидальные трансформаторы ОСМ, выпускаемые под торговой маркой Штиль, (однофазные, сухие, многоцелевого назначения), обеспечивают преобразование переменного тока одного напряжения в другое(ие). Предназначены для использования (комплектации при производстве и разработке) в составе различной аппаратуры, приборов, другого электрооборудования (ИБП, линейные источники питания, фильтры и т.п.) или отдельного специального использования.

Изделие представляет собой силовой однофазный понижающий/повышающий трансформатор, выполненный на тороидальном сердечнике с двумя или более обмотками. Трансформаторы мощностью 0,16 кВА и более пропитываются влагостойким лаком и комплектуются крепёжными элементами (по требованию).

Сертификат соответствия на трансформаторы ОСМ


Условное обозначение трансформаторов Штиль

Пример — Штиль ОСМ Т 220/24-0,25-50, где:

  • Т (или АТ) - тип изделия: трансформатор (автотрансформатор);
  • 220 - напряжение ПЕРВИЧНОЙ обмотки, В; 24 - напряжение вторичной обмотки, В;
  • 0,25 - суммарная (общая) номинальная мощность, кВА; 50 - частота питающей сети, Гц.

Цены на тороидальные трансформаторы ОСМ


Модели тороидальных трансформаторов ОСМ


Трансформаторы мощностью 10...160 ВА

ПараметрыМощность, ВА
1016254063100160
Напряжение первичной обмотки220 (380) В
Напряжение вторичных обмоток12...110 В (для 10 ВА), 12...260 В
Напряжение КЗ, не более14 %12 %12 %10 %8 %
Температура перегрева, не более35 С40 C50 C

Габаритные размеры
(диаметр внешний и высота) не более, мм
65x3565х3565х4090х3590х4595х50120х60
Масса, не более0,350,40,450,70,91,22,1

Примечание. Пропитка трансформаторов на мощности 10...100 ВА осуществляется по отдельному требованию. Трансформаторы большей мощности изготавливаются с пропиткой.


Трансформаторы мощностью 0,25...0,63 кВА

ПараметрыМощность, кВА
0,250,40,63
Напряжение первичной обмотки220 (380) В
Напряжение вторичных обмоток24...260 В
Напряжение КЗ, не более8 %6 %5,5 %
Температура перегрева, не более50 С

Габаритные размеры
(диаметр внешний и высота) не более, мм
120х70 140х90 140х100
Масса, не более3,13,95,8

Трансформаторы мощностью 1,0...2,5 кВА

ПараметрыМощность, кВА
1,01,62,02,5
Напряжение первичной обмотки220 (380) В
Напряжение вторичных обмоток42...260 В
Напряжение КЗ, не более4 %3 %2,8 %2,5 %
Температура перегрева, не более50 С

Габаритные размеры
(диаметр внешний и высота) не более, мм
160х105210х100240х90245х115
Масса, не более8,8 кг12 кг14,0 кг17,5 кг

Трансформаторы мощностью 4,0 и 5,0 кВА

ПараметрыМощность, кВА
4,05,0
Напряжение первичной обмотки220 (380) В
Напряжение вторичных обмоток42...260 В56...260 В
Напряжение КЗ, не более2 %2 %
Температура перегрева, не более50 С

Габаритные размеры
(диаметр внешний и высота) не более, мм
260х150265х160
Масса, не более2834

Цены на тороидальные трансформаторы ОСМ


Информация для составления ТЗ при заказе трансформаторов

Представленная ниже информация поможет сориентироваться при более детальном или подробном заказе моделей нестандартных трансформаторов.

Магнитопровод трансформаторов изготавливается из холоднокатаной анизотропной электротехнической стали толщиной 0,27 – 0,5 мм.

Обмотки трансформаторов выполняются медным эмалированным проводом с теплостойкой (130°С) изоляцией: провод марки ПЭТВ-2 (диаметр до 3,55 мм), шина ПЭТВП (сечение до 22 мм2).

Трансформаторы мощностью 0,16 кВА и более пропитываются влагостойким электроизоляционным лаком МЛ-92. По отдельному заказу возможна заливка трансформаторов эпоксидными компаундами.

Трансформаторы соответствуют требованиям по безопасности ГОСТу 19294, в том числе защита от пробоя переменным током частотой 50 Гц:

  • между обмотками и токопроводящими частями изделия 1750 В;
  • между первичной и вторичными обмоткам трансформатора 3500 В.

Условия эксплуатации

  • Климатическое исполнение: УХЛ 4.2 (ГОСТ 15150), в т.ч. температура окружающей среды от +1 до +400 °С;
  • Механические воздействия: группа М13 (ГОСТ 17516.1).

Трансформаторы могут быть изготовлены с расчётом на более жесткие условия эксплуатации!


Способы крепления трансформаторов (дросселей)


Наименование Иллюстрации
1

Трансформатор с креплением к шасси чашкой

Элементы крепления:
стальная чашка с центральным отверстием, изолирующие прокладки (по требованию заказчика)

Трансформатор с креплением к шасси чашкой
Применяется для мощностей 0,01…0,04 кВА
2

Трансформатор на квадратном основании с чашкой

Элементы крепления:
стальное квадратное основание с крепежными отверстиями, стальная чашка, центральное болтовое соединение, изолирующие прокладки

Трансформатор на квадратном основании с чашкой
Применяется для мощностей 0,063…1,0 кВА
3

Трансформатор на квадратном основании с чашкой для крепления клеммных колодок

Элементы крепления:
стальное квадратное основание с крепежными отверстиями, стальная чашка с площадками под клеммные колодки, центральное болтовое соединение, изолирующие прокладки

Трансформатор на квадратном основании с чашкой для крепления клеммных колодок
Применяется для мощностей 0,063…1,0 кВА
4-а

Трансформатор на круглом пластмассовом основании с центральным отверстием и заливкой окна

Элементы крепления:
круглое пластмассовое основание с центральным отверстием и упором для фиксации на шасси, заливка окна компаундом

Трансформатор на круглом пластмассовом основании с центральным отверстием и заливкой окна
Применяется для мощностей 1,6…7,0 кВА
4-б

Трансформатор на круглом пластмассовом основании с «внутренней» гайкой и заливкой окна

Элементы крепления:
круглое пластмассовое основание с упором для фиксации на шасси, «внутренняя» гайка для крепления снизу, заливка окна компаундом

Трансформатор на круглом пластмассовом основании с «внутренней» гайкой и заливкой окна
Применяется для мощностей 0,63…7,0 кВА
4-в

Трансформатор на круглом пластмассовом основании с центральным отверстием под длинный болт и заливкой окна

Элементы крепления:
круглое пластмассовое основание с центральным отверстием под длинный болт и упором для фиксации на шасси, заливка окна компаундом

Трансформатор на круглом пластмассовом основании с центральным отверстием под длинный болт и заливкой окна
Применяется для мощностей 0,16…1,0 кВА
5

Трансформатор на круглой стальной чашке-основании с «внутренней» гайкой и заливкой окна

Элементы крепления:
круглое стальная чашка, «внутренняя» гайка для крепления снизу, заливка окна компаундом

Трансформатор на круглой стальной чашке-основании с «внутренней» гайкой и заливкой окна
Применяется для мощностей 0,04…0,1 кВА
6

Трансформатор на квадратном основании с заливкой окна и креплением на DIN-рейку

Элементы крепления:
стальное квадратное основание с элементами крепления на DIN-рейку, заливка окна компаундом

Трансформатор на квадратном основании с заливкой окна и креплением на DIN-рейку
Применяется для мощностей 0,01…0,16 кВА
7-а

Трансформатор залитый с «внутренней» гайкой

Элементы крепления:
круглое пластмассовое основание с упором для фиксации на шасси, пластмассовая оболочка, «внутренняя» гайка для крепления снизу, заливка компаундом

Трансформатор залитый с «внутренней» гайкой
Применяется для мощностей 0,16…0,63 к
7-б

Трансформатор залитый на квадратном основании

Элементы крепления:
стальное квадратное основание с крепежными отверстиями, стальная оболочка, заливка компаундом

Трансформатор залитый на квадратном основании
Применяется для мощностей 1,0…7,0 к
8

Трансформатор залитый с «внутренней» гайкой и ответвительной коробкой IP55

Элементы крепления:
круглое пластмассовое основание с упором для фиксации на шасси, пластмассовая оболочка, «внутренняя» гайка для крепления снизу, заливка компаундом

Трансформатор залитый с «внутренней» гайкой и ответвительной коробкой IP55
Применяется для мощностей 0,4…0,63 кВА
9

Трансформатор залитый с «внутренней» гайкой и выводами пучком по центру

Элементы крепления:
круглое пластмассовое основание с упором для фиксации на шасси, пластмассовая оболочка, «внутренняя» гайка для крепления снизу, заливка компаундом

Трансформатор залитый с «внутренней» гайкой и выводами пучком по центру
Применяется для мощностей 0,4…0,63 кВА
10

Трансформатор залитый в пластмассовом корпусе

Элементы крепления:
пластмассовый корпус с штатными отверстими для крепления саморезами, заливка компаундом

Трансформатор залитый в пластмассовом корпусе
Применяется для мощностей 0,01…0,063 кВА
11-а

Сильноточный трансформатор на круглом пластмассовом основании с центральным отверстием, заливкой окна и токосъемными шинами для вторичной обмотки

Элементы крепления:
пластмассовое основание с центральным отверстием и упором для фиксации на шасси, заливка окна компаундом

Сильноточный трансформатор на круглом пластмассовом основании с центральным отверстием, заливкой окна и токосъемными шинами для вторичной обмотки
Применяется для мощностей 1,6…7,0 кВА при токе вторичной обмотки более 200 А
11-б

Сильноточный трансформатор на круглом пластмассовом основании с «внутренней» гайкой, заливкой окна и токосъемными шинами для вторичной обмотки

Элементы крепления:
пластмассовое основание с «внутренней» гайкой и упором для фиксации на шасси, заливка окна компаундом

Сильноточный трансформатор на круглом пластмассовом основании с «внутренней» гайкой, заливкой окна и токосъемными шинами для вторичной обмотки
Применяется для мощностей 1,6…7,0 кВА при токе вторичной обмотки более 200 А
12

Трансформатор на круглом пластмассовом основании с центральным отверстием, заливкой окна и кронштейнами для крепления клеммных колодок

Элементы крепления:
пластмассовое основание с центральным отверстием и упором для фиксации на шасси, заливка окна компаундом


Применяется для мощностей 1,6…7,0 кВА

Примечания:

  1. Стальные чашки и основания имеют антикоррозионное покрытие.
  2. Изолирующие кольцевые прокладки изготавливаются из электрокартона толщиной 0,5 мм.
  3. Расположение выводов на иллюстрациях показано условно.
  4. При токе обмотки более 40 А клеммные колодки заменяются на кабельные наконечники.

Габаритные и присоединительные размеры элементов крепления трансформаторов


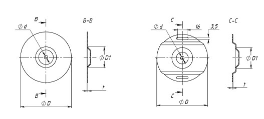
1. Стальная чашка (чашка с площадками для крепления клеммных колодок).

Стальная чашка (чашка с площадками для крепления клеммных колодок)
Для вариантов крепления № 1, 2, 3

Мощность трансфор-маторов, кВА D, мм D1, мм d, мм t, мм
0,01…0,04 (45…50)* 26 6,2 0,8…1,0
0,063…0,1 65 26 6,2 0,8…1,5
0,16…0,63 85 38 6,5 1,0…1,5
1,0 125 78 12,5 1,5…2,0
* - не применяется для чашек с площадками

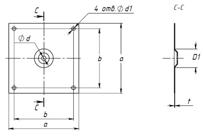
2. Стальное квадратное основание.

Стальное квадратное основание
Для вариантов крепления № 2, 3

Мощность трансфор-маторов, кВА a, мм b, мм d, мм d1, мм D1, мм t, мм
0,04…0,1 90 74 6,2 5 26 0,8…1,0
0,16…0,63 130 110 6,2 5 38 1,0…1,5
1,0 160 130 8,2 7 38 1,2…1,5

3. Стальное квадратное основание с оболочкой для залитых трансформаторов.

Стальное квадратное основание с оболочкой для залитых трансформаторов
Для варианта крепления № 7-б

Мощность трансфор-маторов, кВА a, мм b, мм d, мм d1, мм D1, мм t, мм
0,04…0,1 90 74 6,2 5 26 0,8…1,0
0,16…0,63 130 110 6,2 5 38 1,0…1,5
1,0 160 130 8,2 7 38 1,2…1,5

4. Круглое пластмассовое основание с центральным отверстием и упором для фиксации на шасси.

Круглое пластмассовое основание с центральным отверстием и упором для фиксации на шасси
Для вариантов крепления № 4-а,11-а, 12

Круглое пластмассовое основание с центральным отверстием и упором для фиксации на шасси (вариант 4-в, до 0.4кВА)
Для варианта крепления № 4-в
для трансформаторов 0,1…0,4 кВА (без упора для фиксации)

Круглое пластмассовое основание с центральным отверстием и упором для фиксации на шасси (вариант 4-в, от 0.63кВА)
Для варианта крепления № 4-в
для трансформаторов 0,63…1,0 кВА


5. Круглое пластмассовое основание с упором для фиксации на шасси, «внутренней» гайкой и закладной деталью.

Круглое пластмассовое основание с упором для фиксации на шасси, «внутренней» гайкой и закладной деталью
Для вариантов крепления № 4-б, 11-б

Мощность трансфор-маторов, кВА D, мм h, мм b, мм d, мм s, мм a, мм М
0,63…1,0 125 5 20 8 4,5 50 М10
1,6…7,0 160 4,5 25 8 4,5 50 М12

Для вариантов крепления № 7-а, 8, 9

Мощность трансфор-маторов, кВА D, мм h, мм b, мм d, мм s, мм a, мм М
0,16…0,25 125 5 20 8 4,5 50 М10
0,4…0,63 160 4,5 25 8 4,5 50 М12

6. Круглая стальная чашка-основание с «внутренней» гайкой и закладной деталью.

Круглая стальная чашка-основание с «внутренней» гайкой и закладной деталью
Для варианта крепления № 5


Таблица применяемых креплений.

Мощность, кВА Вариант крепления
1 2 3 4-а 4-б 4-в 5 6 7-а 7-б 8 9 10 11-а 11-б 12
0,01 - - - - - - - - - - - - -
0,016 - - - - - - - - - - - - -
0,025 - - - - - - - - - - - - -
0,04 - - - - - - - - - - -
0,063 - - - - - - - - - -
0,1 - - - - - - - - - - -
0,16 - - - - - - - - - -
0,25 - - - - - - - - - - -
0,4 - - - - - - - - -
0,63 - - - - - - - - -
1,0 - - - - - - - - - - -
1,6 - - - - - - - - - -
2,0 - - - - - - - - - -
2,5 - - - - - - - - - -
4,0 - - - - - - - - - -
5,0 - - - - - - - - - -
6,0 - - - - - - - - - -
7,0 - - - - - - - - - -

Для трансформаторов мощностью 0,63 кВА и более рекомендуем заказывать заливку окна специальным компаундом, что исключает давление на витки обмоток через стягивающие элементы крепежа. Это повышает надёжность трансформатора, поскольку значительно снижается вероятность межвитковых замыканий.

Трансформаторы мощностью 1,6 кВА и более исполняются с заливкой окна компаундом, если по требованию заказчика не предусмотрено иное. В этом случае болты и гайки не поставляются.

Оригинал статьи находится по адресу: http://www.tula-transformator.ru/trans_t.html. ГК Энергоавтоматика является официальным партнером и дистрибьютором продукции марки Штиль и предлагает трансформаторы по ценам производителя.

Возврат к списку


Обсуждение на форуме:


Антон
Добрый день! Мне нужен тороидальный трансформатор 220/18 400 Вт. Требуемое количество - 11 шт.
Имя Цитировать
Николай Ефремов
Здравствуйте, Антон! Пожалуйста, свяжитесь с нами, по контактам, указанным на сайте.
Имя Цитировать
 
Текст сообщения*
Загрузить файл или картинкуПеретащить с помощью Drag'n'drop
Перетащите файлы
Ничего не найдено
Защита от автоматических сообщений